Вложений: 4
Патон ЕСО ВДИ-200Е силовые транзисторы
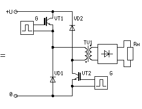
Пришел в ремонт Патон ЕСО ВДИ-200Е с выгоревшей кнопкой и бахнутыми 4-мя силовыми транзисторами. Виновник сразу найден, был пробой по плате из-за условий эксплуатации.
Плата силы и управления практически без лака, а вот на кнопку лака не пожалели.....
Аппарат запущен на 2-х транзисторах и сегодня пришли те, которые должны быть там по схеме, а именно GP4063D. Купил в нормальном магазине, но при прозвоне вижу - нет диода
Перекатка, мать их заногу узкоглазых и наших, которые этот спрос поддерживают. Транзисторы в режиме лампочки - открываются и закрываются как надо, есть надежда что могут жить, но нужно поставить диоды
Что ставить? В схеме TELWIN TECNICA 164, которая очень похожа силовой частью на патоновскую (косой мост )используют диоды US1J
Ставить пробовать?Вложение 8403Вложение 8402Вложение 8404Вложение 8406