Вложений: 6
Сварочный инвертор PULS MMA-250D трехплатка
Ремонтирую сварочный инвертор PULS MMA-250D. Очень похож на ARC-205. Мозг 3846, 084 и lm324. Клиент так и не признался варил аппарат или с рождения мертвый...
На выходе нет напряжения. Горелого нет ничего. Шим молчит.
Из того, что нашел. В платке согласования был дохлый 1 из 4 конденсаторов на 0,01. И на шиме, на 1 ноге был без емкости тантал на 4,7мкФ.
Сейчас пока тестирую без ключей. на 5 ногу шима не приходит 5В, потому что на 12 ногу ОУ 084 не приходит ничего. 10 ножка платы контроллера похоже никуда не идет.
Термозащита у меня организованна чуток по другому, она работает. Если на 5 ногу шима подать 5В, да хоть с его второй ножки - шим запускается.
Остальные напряжения шима и 084 в норме. Что делать? и можно ли оставить тантал на 10мкФ вместо 4,7мкФ на 1 ноге шима (токовая защита)
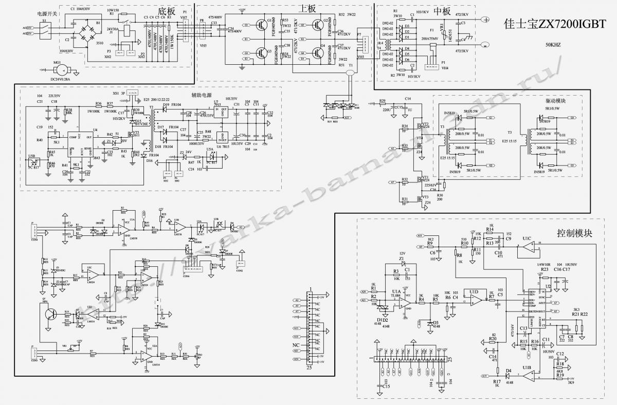
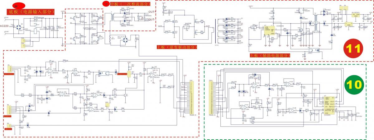
Схема очень, очень похожая
https://weld.in.ua/forum/album.php?albumid=30
Вложение 8221Вложение 8222Вложение 8223Вложение 8224Вложение 8225Вложение 8226