Вложений: 7
Помогите с ремонтом сварочника АСИ-180
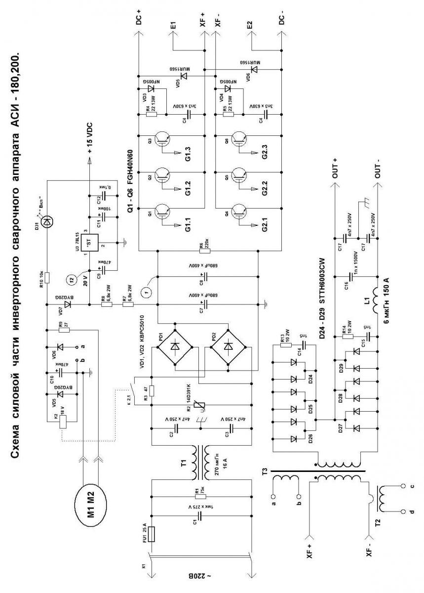
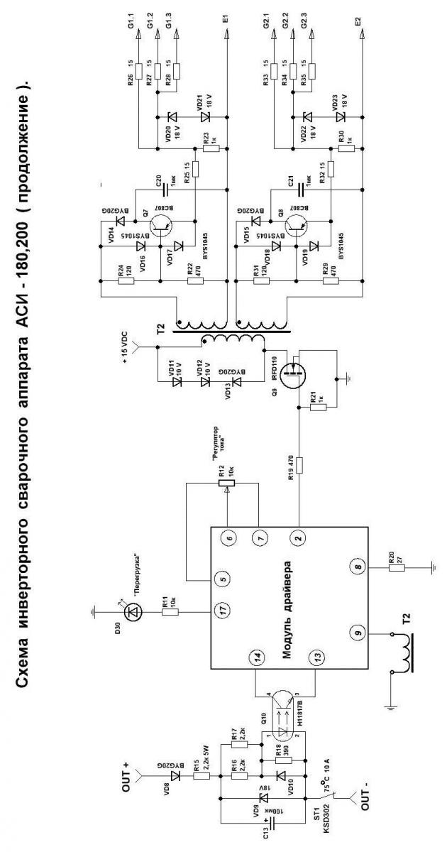
Подскажите куда копать. Сварочный аппарат АСИ-180, схема инвертора косой полумост.
Вылетает по транзистору в плечах при зажигании дуги.
После замены транзов работает, можно пачку электродов спалить,ток регулируется, но ни с того ни с сего при очередном зажигании вылетают транзисторы,
их в плечах по 3 шт. вылетают как правило по одному. Замена всех или только сгоревших, проблему не решает.
В очередной раз разобрал, выпаял пробитые, причем по виду не отличимы от целых, явно не тепловой пробой. по одному оставил и снял осциллограммы. вроде все в идеале. Куда копать дальше не знаю.
напряжения снимались при запитывании схемы от лабораторного источника. 220 не подавалось.
1. первичка управляющего
Вложение 8090
2. синий вторичка управляющего, желтый затвор.
Вложение 8091
3. Затвор включение
Вложение 8092
4 затвор выключение
Вложение 8093
схемы
Вложение 8094
Вложение 8095
Вложение 8096