Вложений: 2
stromo sw250 нужна схема или участок схемы драйвера IGBT.
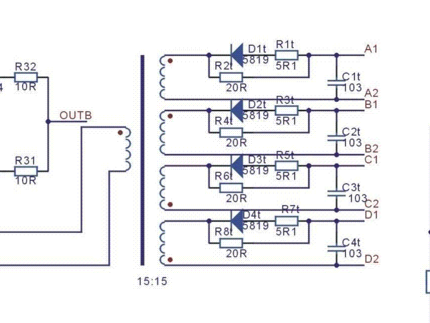
Доброго времени суток. Попался в руки сварочник stromo sw250 с выгоревшими в уголь 40N60,так же сгорели детали на плате драйверов, маркировка lsd-08-0022-04,драйвера почти востановил,осталось узнать номиналы конденсаторов,схему не нашел,в инете увидел похожий аппарат wert mma 180n
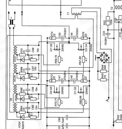
Есть фото платы драйверов и фото схемы срисованной от руки.Вложение 8050Вложение 8051 Фото платы не мое,нашел на просторах инета,схему рисовал с точно такой же платы.