-
Вложений: 1
Ремонт ИСА-210W
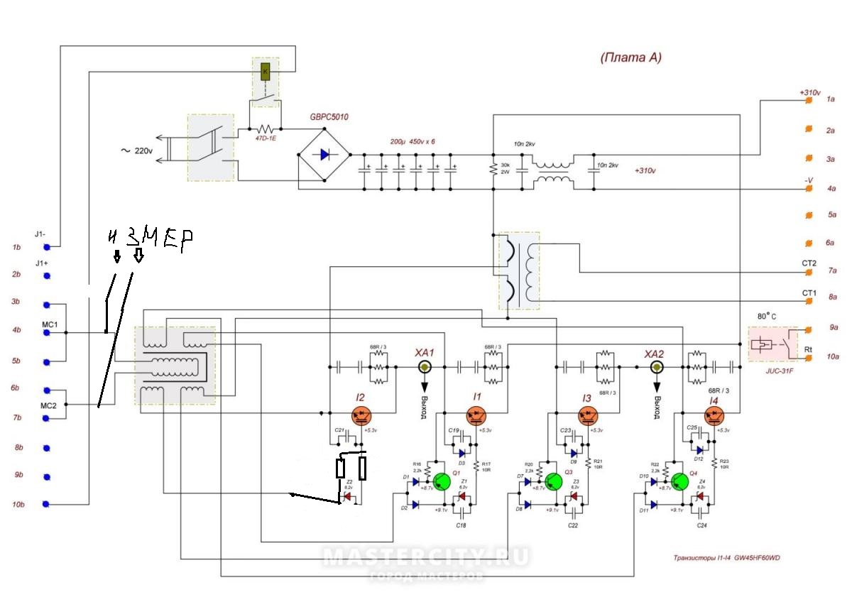
Продолжаю тему,начатую в теме "ищу схему ИСА-210W".Вот схема,любезно предоставленная "semivoza",она немного отличается,что не совпадает, я попытался перерисовать,вот что получилосьВложение 7555.А это то что на первичной обмотке трансформатораВложение 7556 Суть в том что вылетел один транзистор и сработала защита,после замены всех четырёх - пыхнули ещё два,вопрос в том стоит ли ещё впаивать,на вид как бы всё нормально?Вложение 7557
-
Впаивать не стоит,сначала нужно http://images.vfl.ru/ii/1525948801/c...21685950_m.jpg вот в этих точках посмотреть осцылограммы,все 4 шт.При этом нужно смотреть их под нагрузкой,то есть вместо транзисторов установить по резистору(150-250 ом),или по конденсатору(10нф 100в).
-
ELERON, я просто обескуражен. Осцилл вроде не плохой, а посты читать не умеете, я Вам писал, где надо измерить, может у Вас транзисторы лишние...
-
Вложений: 2
ОК, нагрузка 250 ом,что получилось,мерял по парноВложение 7558Вложение 7559
-
Что с синхронизацией, или частота плавает? Сигналы нормальные. Фото транзисторов, которые стрельнули крупным планом.
-
Без паники,разберёмся. Я и попросил помощи потому что и транзисторов осталось всего четыре, и покупать их смысла уже не будет,когда сгорят.
-
Вложений: 1
Родные стояли gw45hf60, а купил поставил fgh40n60Вложение 7560
-
Смотрите цепи по датчику тока в первичке, если нечего в драйверах не копали после взрыва.
-
Взрыва как такового и не было, но автомат сетевой вышебло. Щас сяду спокойно всё проверю,хотелось слёту,получился попадос.Спасибо огромное за помощь,обязательно напишу о результатах.
-
Я ещё чё хотел спросить, а как должна изменяться осцилограмма на затворах при изменении сварочного тока,если она должна изменяться??