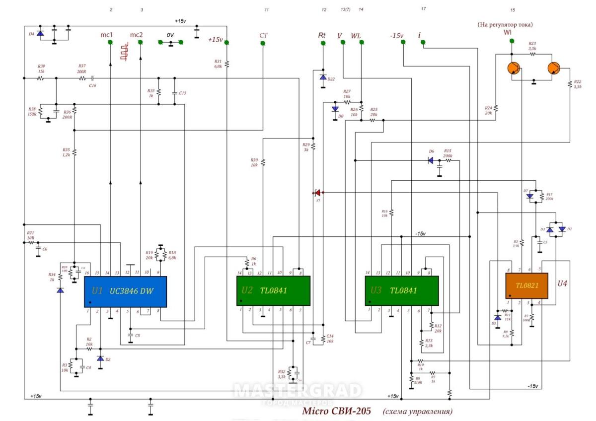
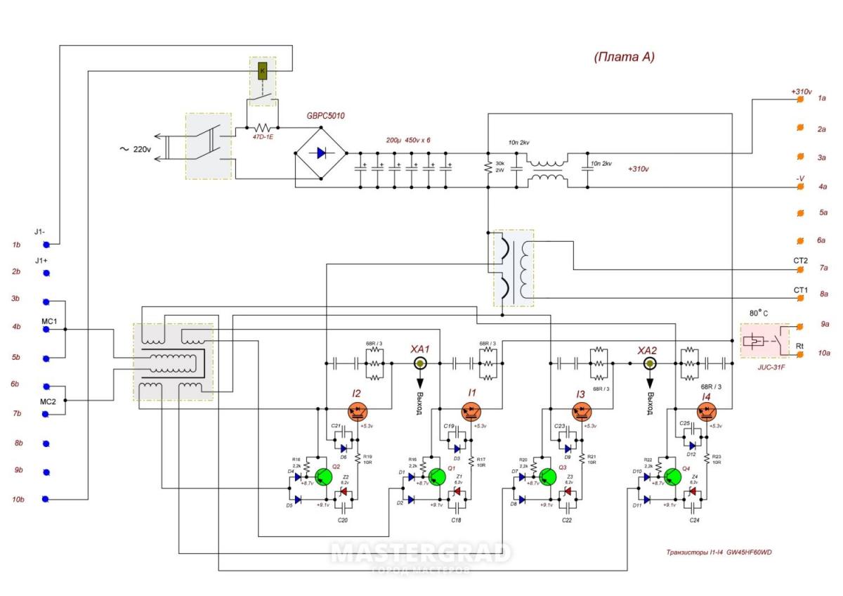
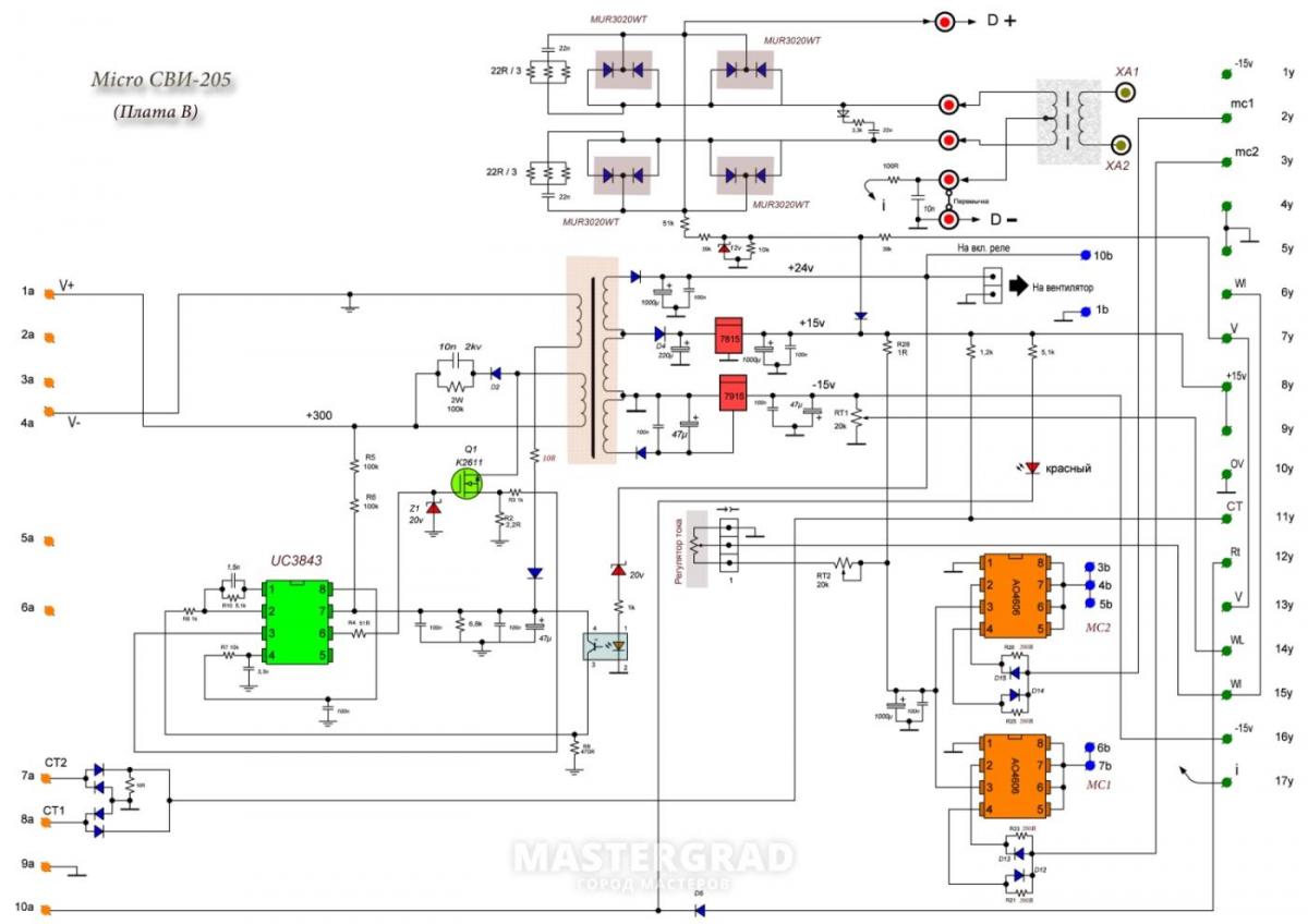
Ищу схему RIGA MMA-255 mini. Никаких признаков жизни. 24 вольта нет,
высокого напряжения на кандерах нет. Как должен звониться термоэлемент (на последнем фото)
KSD-01F? Он у меня в обрыве. Подскажите откуда копать?Вложение 7014Вложение 7015Вложение 7016Вложение 7017

