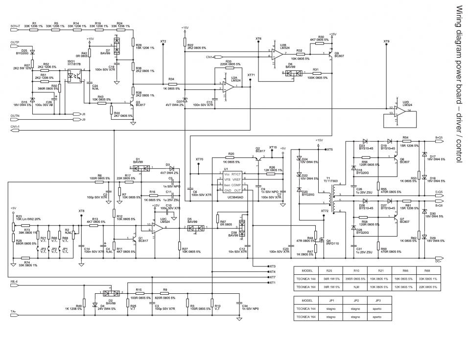
Не включается. Загорается желтый и мерцает после замены пускового резистора и греются R18 & R35. транзисторы были сгоревшие. они сейчас сняты. нашел схему , но почему то не подходит. у моего аппарата нет отдельной платы управления. проверил 7815. трансформатор развязки и всё вокруг проверил, ничего не нашёл. поменял U1 3845. поменял U2 LM224. проверил C18. где то замыкает? почему греются резисторы 18 и 35?:confused:
включаю внешнее питание 15в на 7815 к выходу, горит желтая.
потом подаю 24в на вход 7815, так же горит желтый. Делаю напругу больше или меньше..., желтая мерцает.
подаю напругу на Д9+, реле щелкает, горит зеленый и через 7 секунд загорается желтый.:confused:
осциллографа пока нету. может поставить транзисторы и попробовать через лампочку?
http://s020.radikal.ru/i703/1502/f1/8bf766afa355.jpg
http://s015.radikal.ru/i330/1502/5f/8e942896007f.jpg
http://i008.radikal.ru/1502/e4/4c7d85973d1e.jpg
это фотки. а схему надо.

