хочу сделать инверторный и оставить только корпус этот,что посоветуете,какие лучше внутренности туда впихнуть ,может кто делает внутренности хорошие,буду за ранее благодарен
Вид для печати
хочу сделать инверторный и оставить только корпус этот,что посоветуете,какие лучше внутренности туда впихнуть ,может кто делает внутренности хорошие,буду за ранее благодарен
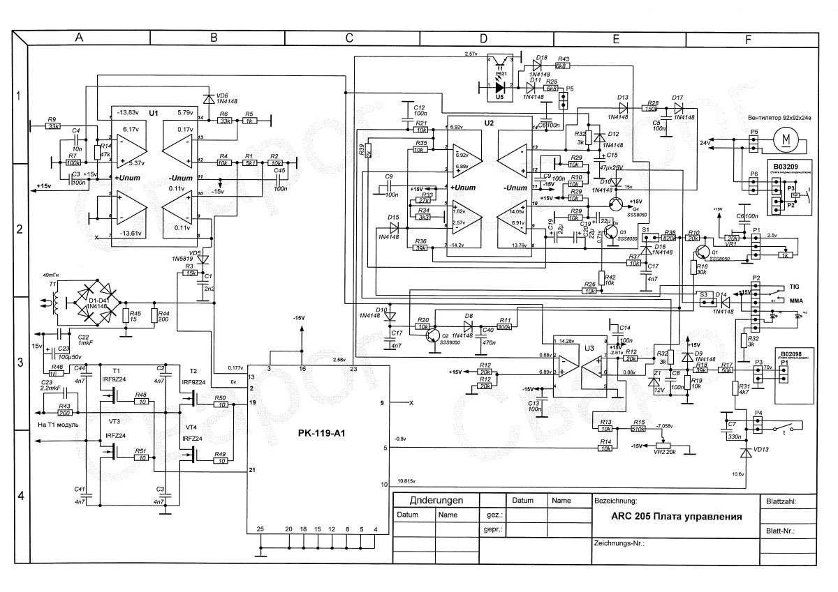
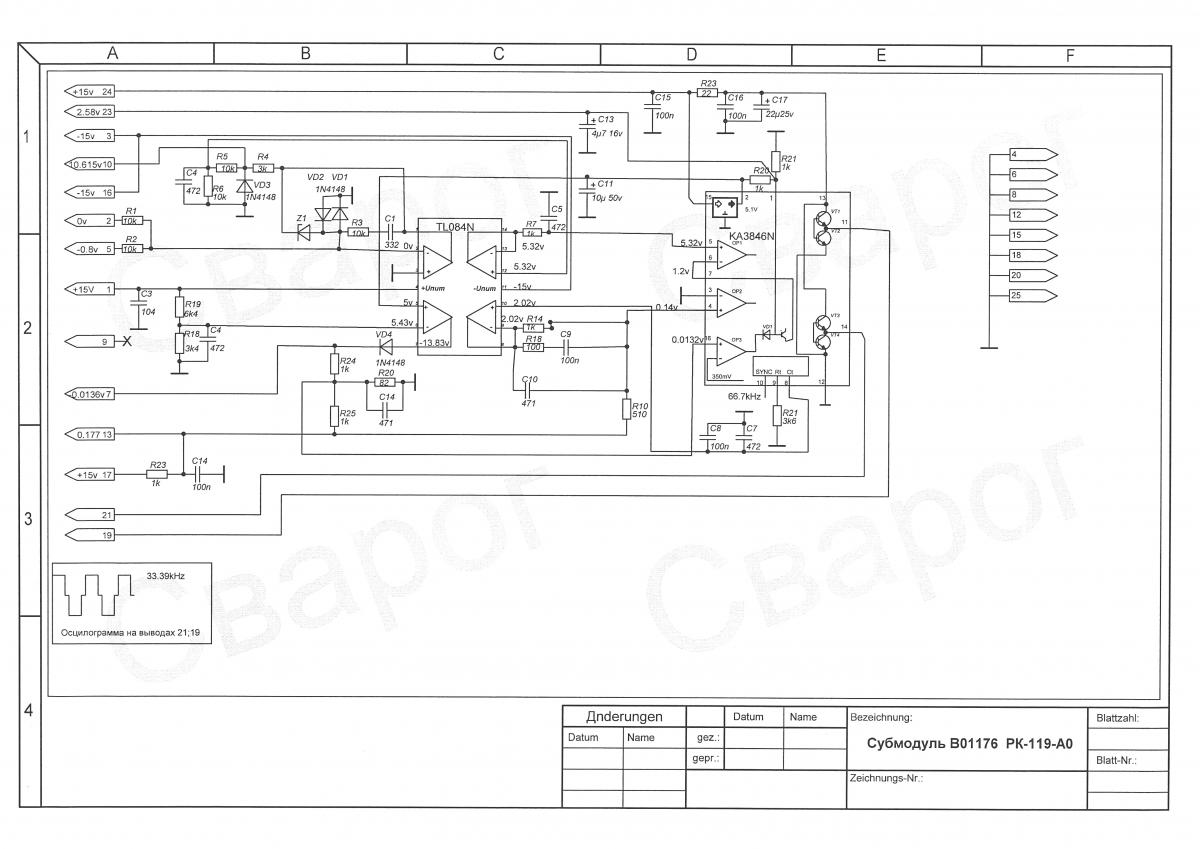
дніпро-м пихайте,в нете есть схема сварог 205,незначительная доработка и будет вам полуавтомат.
вы пишите что днепро-м внутренности впихнуть ну он же не полуавтомат а простой сварочник,говорят не получиться характеристики разные,я бы с удовольствием его поставил о нем отзывы хорошие
мужики неужели ни кто не переделывал себе полуавтомат,от какого сварочника внутренности подходят лучше с меньшими переделками именно инверторного сварочника,или ссылочку на сайт кто это делал,может кто встречал,хочу всета ки сделать себе инверторный полуавтомат он лучше варит чем трансформаторный,не ужели ни кто не подскажет
так це простий інвертор,але його схема майже один в один зВложение 3267Вложение 3268Вложение 3269Вложение 3270 в якому е два режими,а так шукайте клонів на базарі з міг режимом
так может есть аппараты которые уже у кого то работают отлично без переделок в схеме,я не разбираюсь в электронике вообще,вот по тому-то и спрашиваю совета какой лучше установить инвертор чтобы был полуавтомат с минимум переделок
вибачаюсь,не mig а tig.
Если б все было так просто, то полуавтоматы стоили бы куда дешевле .
Ну дак Вы конкретно можете человеку подсказать как переделать конкретный аппарат ММА в полуавтомат? Лично я не могу . Потому что никогда подобного не делал . И целью такой никогда не задавался . Потому что мне проще или готовый купить, или сделать с нуля . Что то переделывать не так просто, оно может работать не так как нужно, и при этом потери от замены выгоревших деталей(в процессе экспериментов такое не редкость) и затраты на переделку могут быть значительно выше, чем экономический эффект от такой переделки .