ищу схему сварочного инвертора дон-200 производства азов.
Вид для печати
ищу схему сварочного инвертора дон-200 производства азов.
щас придет злой дядя админ, и скажет
гони фото, а то не дам схему
посему, загрузите фото аппарата
внешне и изнутри
интересный инвертор — тем, что производится, якобы в России, г. Азов, а стоит дешевле самый китайских:
http://rostov.pulscen.ru/products/in...pparat_5036680
очень интересно было бы посмотреть на его внутренности...
вообще, мне кажется, что единственным способом получить схему будет связаться с ООО "Интера", которая этот инвертор делает.
здесь контакты: http://svarka-tut.pul.ru/tov/descr/5292424?r_page=2
г. Ростов-на-Дону, ул. Таганрогская, 144
+7 (863) 276-96-13 Отдел работы с юр.лицами
intera61@mail.ru
схему вам, конечно, вряд ли дадут, но отремонтировать помогут — пообещайте широкое информационное освещение вопроса ;)
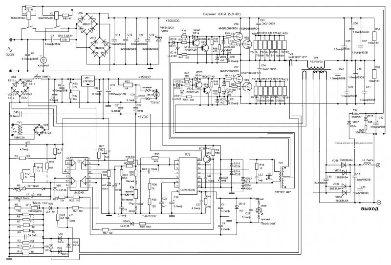
Вложение 1610 Аппараты Дон производятся в России.
Это на Китайские сильно задрали цены, а реальный выдаваемый ток сварки опустили.
Кому надо схему добавили, но они немного разные по годам. 89289091822@mail.ru
Также можно найти на сайте схему и плату http://magnity.storeland.ru/
Вложение 1603
Схема взята с сайта: http://magnity.storeland.ru/