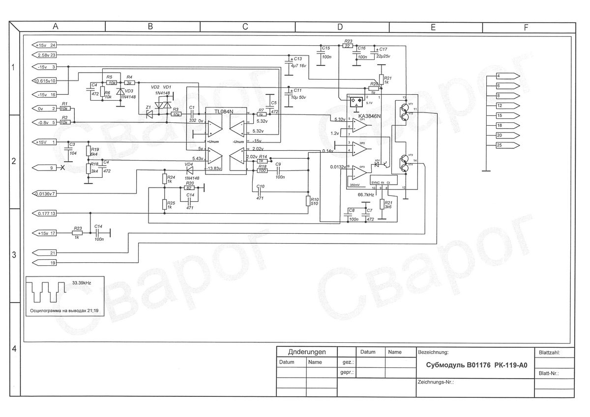
Здравствуйте. Нужна схема на инвертор MORKLE MMA-307. По внутренностям похож на Powertec PT-MMA-200, LIDER TEXHO-IGBT-250. Хотел фотки загрузить - пишет, что файл не является изображением (.jpg).
Вид для печати
Здравствуйте. Нужна схема на инвертор MORKLE MMA-307. По внутренностям похож на Powertec PT-MMA-200, LIDER TEXHO-IGBT-250. Хотел фотки загрузить - пишет, что файл не является изображением (.jpg).
Очень похоже но нет. Плата электроники очень похожа, радиатор у меня не сплошной, для IGBT свой радиатор, там же стоят диодные мостики, для выпрямителя - свой. Радиаторы между собой соединены пластмассовыми вставками. Но в общем - очень похоже. Есть фото, но не могу сюда вставить. Пишет, что файл не изображение. Если есть схема - буду очень благодарен. Я думаю схема не очень будет отличаться.
Пробиты IGBT 2 шт. по диагонали. Отследить дорожки невозможно, нужно выпаивать субплату управления ключами. А ключи просто так не летят, наверняка ещё что то полетело.
Каков максимальный размер файла для прикрепления. Что ни делаю - файл не является изображением (.jpg).
вот http://svarka-barnaul.3dn.ru/_ld/2/229_MMA_ZX7-225.jpgи вот http://weld.in.ua/forum/attachment.p...1&d=1387477556а з малюнком і в мене не виходить
http://s020.radikal.ru/i700/1302/92/25e4b97366c9.jpgтут погано видно,але якщо придивитись то біля ірфз24н та ірф9з24н не вистачае чотирьох конденсаторів,я впаюю їх,наче повторів нема,раніше не впаював то вертались,і в основному ключі горять коли варять тонке залізо.
есть ветка по днипру-мини, почти копия. прародитель арс
Спасибо, на первый взгляд схема китайская больше подходит. Хотя ключи слабее и ИИП не так организован. В общем завтра буду разбираться, уже есть от чего оттолкнуться. Ещё раз спасибо.
Прошло 2 года и снова этот инвертор у меня. Точно так же вылетели ключи. Из вот этих какие транзисторы лучше поставить - FGH60N60SFD, FGH60N60SMD, FGH60N60UFD?
Хочу заказать FGH60N60SMD, у них параметр Pd выше остальных. На какие параметры ещё обратить внимание при подборе аналога?