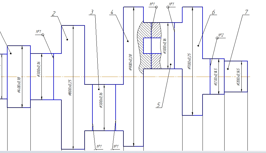
Вложение 2843Добрый день! Подскажите пожалуйста как варят шатунные шейки коленвала? какое оборудование, приспособления, кондукторы и т.д. используются?
Вид для печати
Вложение 2843Добрый день! Подскажите пожалуйста как варят шатунные шейки коленвала? какое оборудование, приспособления, кондукторы и т.д. используются?