Перемотал первичную обмотку кинул ПЭТ-155 2.12мм Делал зарисовку подключения не могу найти Помогите с подключением
Вид для печати
Перемотал первичную обмотку кинул ПЭТ-155 2.12мм Делал зарисовку подключения не могу найти Помогите с подключением
Аппарат, я так понял трансформаторный?
Если с механической регулировкой тока - то первичка один конец через теплушку , а затем оба конца в сеть через выключатель. Лампа перегрева параллельно выводам теплухи. Кулер - на сеть после выключателя ( до теплухи).
дело в том что первичная обмотка состоит из 3 ёх обмоток 1-46640мм\ 2-44620мм\ 3-16750 так же есть галетный переключатель с тремя положениями 1-220 в\ 0 \ 2-380в как быть?
Считаем трансформатор :
446+446+167=1059 вит.
Все это дело последовательно на 380 >> будет 2, 67 вит /вольт.
"Откидываем одну секцию на 446 >> будет 613 вит.
Делим на 2, 67 >> получаем 229 ( т.е. 230 вольт) - то что доктор прописал.
Следовательно - все последовательно на 380, а без одной секции 446 - на 220.
Исходя из сечений приведенных Вами - откидываем ту, чтоГде-то так.Цитата:
2-44620мм
А куда подсоединяется кондёр неполярный с параллельным резистором и зачем
Что на кондере написано?
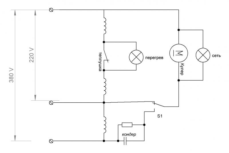
как всё это подсоединить к 220в и к 380вВложение 1522Вложение 1523
Вложение 1524
Только сейчас обратил внимание, что вы дали не количество витков , а длину провода на каждую секцию...
Дайте количество витков в секциях.
Тогда определю какие куда.
Количество витков к сожелению не считал А к 380в это как к двум фазам сколько должен потреблять трансформатор на холостом ходу от сети 220в в амперах И зачем переключатель S 1
Подщитал примерное колличество витков 1=144-152\ 2=108-114\ 3=30-36